Welkom op het weetjewel forum, van en voor Volkswagen Transporter rijders.

Groetjes webmaster Henk-1

klik rechts op de "X" dan verdwijnt dit veld

Miniproject - Gasveren op het keukenblok

Ben je bezig met een leuk of ingrijpend project aan je bus. Plaats deze dan hier
Plaats reactie
Gebruikersavatar
Hanz
Berichten: 5797
Lid geworden op: 14 feb 2015, 22:59
Locatie: Zaanstreek

Miniproject - Gasveren op het keukenblok

Bericht door Hanz »

Dit onderwerp is al eens uitgebreid aan de orde geweest in dit topic
viewtopic.php?p=164625#p164625
Maar dat is al weer 10 jaar geleden en de daarbij gebruikte materialen zijn niet allemaal meer te koop. Dus leek het mij handig om mijn aanpak en ervaring met deze klus te delen.

Het nadeel van de originele uitzetters is dat je twee handen nodig hebt om de klep te openen en je moet goed opletten dat de borging goed inklikt. En bij mij begonnen ze na 25 jaar ook steeds meer te roesten. Dus tijd voor een upgrade.
De gasveren heb ik gekocht bij gasveerwinkel.nl. Op hun site staat een handige configurator waarmee je de gasveer en de aanbouwdelen kunt samenstellen.
In het oude topic werd steeds gebruikt gemaakt van een gasveer van 200N voor de water/gas-klep en 125N voor de koelkastklep. Als maat voor de gasveer heb ik gekozen voor een slag van 80 mm en een totale lengte van 192 mm. Met de aanbouwdelen eraan wordt de afstand tussen de twee kogels dan 236 mm. De sterkte is links en rechts verschillend maar de maten van de veren zijn identiek.
Met een slag van 60 mm zou het ook nog passen maar dan steekt de montage wel erg nauw omdat dan bij gesloten klep de gasveer vrijwel geheel ingedrukt is. Bij een slag van 80 mm is er wat meer speelruimte.

Ik heb voor de water/gas-klep ook 200N aangehouden en voor de koelkastklep 120N. In het assortiment van gasveerwinkel zit geen 125N.
Ik heb dit nog gecheckt met het gewicht van de kleppen. De kleine klep links was 1950 gram en de grote klep 3300 gram. Dat komt vrij nauwkeurig overeen met de verhouding 200/120N.
Voor de aanbouwdelen heb ik kogelgewrichten gebruikt. Voor de koelkastklep de kleine versie. Onder deze klep is maar 20 mm ruimte en de grote versie past daar niet onder.
Voor de water/gas-klep is de grote versie gebruikt. Onder deze klep is 43 mm ruimte en bovendien is de kleine versie geschikt tot max. 180N, dus te zwak voor mijn gasveer aan die kant.
De gasveren hebben aan de uiteinden een schroefdraad M5 waar de aanbouwdelen opgeschroefd worden. Op de foto zijn de onderdelen te zien waaruit de gasveer is opgebouwd. Ook zie je daar de veertjes waarmee de kogel geborgd wordt.

- Vervolg in volgend bericht -
Gasveer keukenblok (3).jpg
Over het algemeen werd 60 mm aangehouden als afstand van de rand van de klep tot draaipunt (kogel) van de gasveer. Ik heb deze maat ook aangehouden.

Montage bij de grote klep is simpel. 60 mm van de onderkant van de klep afmeten. De schroefgaten heb ik op 15 mm van de rand gemaakt. Beugel tegen de klep schroeven, gasveer met kogel erop klikken. Het hout van de klep is 15 mm dik dus neem een schroef die daar niet doorheen prikt. Beugel en kogel ook aan de onderkant van de gasveer bevestigen en de klep omhoog houden in de gewenste stand. Dan de onderste beugel op zijn plaats houden en de gaatjes aftekenen. Opletten dat de gasveer zo goed mogelijk in rechte lijn komt zodat er tijdens gebruik geen zijdelingse krachten op komen.
Onderste beugel vastschroeven en de borgveertjes aanbrengen.
Onnodig te zeggen dat we natuurlijk alleen met roestvrij stalen schroeven werken.
Gasveer keukenblok (10).jpg
Gasveer keukenblok (11).jpg
Laatst gewijzigd door Hanz op 07 okt 2022, 17:05, 4 keer totaal gewijzigd.
T4 California 1997 - 2.5TDI/ACV
Gebruikersavatar
Hanz
Berichten: 5797
Lid geworden op: 14 feb 2015, 22:59
Locatie: Zaanstreek

Re: Miniproject - Gasveren op het keukenblok

Bericht door Hanz »

De montage bij de koelkast is wat lastiger. Er is minder ruimte en we moeten de beugel in het stalen profiel vastschroeven. Let op! Onder dit profiel zit geen hout.
Het aftekenen van de plek waar de beugels moeten komen gaat op dezelfde manier als bij de grote klep. Deze klep kan wat minder ver omhoog als de grote klep omdat de C-stijl en de gordijnen daar wat in de weg zitten. Maar dat was bij de originele uitzetters ook al zo.
De beugel aan de klep heb ik zo gemonteerd dat de kogel naar links wijst zodat de schroeven niet te dicht aan de rand komen. De beugel aan de onderkant zit met de kogel naar rechts omdat je anders nauwelijks ruimte hebt om de schroeven vast te zetten en ook voor het monteren van het borgveertje is dit handiger. De foto’s verduidelijken dit.
In de kleine beugeltjes zit een gat van 3,2 mm. Ik heb deze opgeboord naar 3,5 en in de stalen rand heb ik gaatjes geboord van 3 mm. Toen met 3,5 mm zelftappers de beugel vastgezet. Zorgvuldig werken is hier wel nodig want voor je het weet is het gat in het staal te groot en heeft de schroef geen houvast meer. Het staal is ook maar 1 mm dik.
Met popnagels gaat het misschien beter maar die had ik niet voorhanden en zo nodig kan dat altijd nog.
Gasveer keukenblok (12).jpg
Gasveer keukenblok (13).jpg
Toen de gasveer eenmaal zat merkte ik dat de klep net niet helemaal dicht ging. Het scheelde nog geen 2 mm. De onderkant van de plastic handgreep bleek net tegen de kogel van de gasveer aan te komen. Met een Stanleymes en een vijltje heb ik een klein stukje uit de handgreep verwijderd en nu sluit de klep perfect. De handgreep werkt nog gewoon.

Overigens gebruik ik de handgrepen niet meer want de gasveer houdt de klep gesloten. De metalen lipjes waar de handgreep achter klikt heb ik dan ook verwijderd.
Gasveer keukenblok (14).jpg
Als laatste de oude gaatjes met een dotje grijze bouwkit dichtgemaakt.
De hele klus heeft mij ongeveer 2 uur gekost, vooral omdat de kleine klep wel een priegelwerkje is doordat je veel minder ruimte hebt. De gasveer op de grote klep zat er in een kwartiertje op.

De sterkte van de gasveren is prima maar voor de grote klep is volgens mij 180N ook voldoende. Dan zou je aan die kant ook de kleine beugeltjes kunnen gebruiken, dat staat iets eleganter.
Laatst gewijzigd door Hanz op 07 okt 2022, 17:01, 1 keer totaal gewijzigd.
T4 California 1997 - 2.5TDI/ACV
Gebruikersavatar
Multivan Generation
Berichten: 34858
Lid geworden op: 14 jan 2007, 14:41
Locatie: Zeeland (Oost)
Contacteer:

Re: Miniproject - Gasveren op het keukenblok

Bericht door Multivan Generation »

Ik zou moeten zoeken, maar ik dacht een paar weken geleden nog een paar gasveertjes tegen te zijn gekomen..
...have you ever noticed that some people never have the money to do it right, but can always find the money to do it twice?...
Gebruikersavatar
Hanz
Berichten: 5797
Lid geworden op: 14 feb 2015, 22:59
Locatie: Zaanstreek

Re: Miniproject - Gasveren op het keukenblok

Bericht door Hanz »

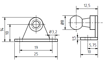
Nog even als aanvulling de maten van de gasveer en de gebruikte kogelgewrichten met beugel.
6-15-80-192-m.png
De gebruikte gasveer
BA30K10.png
BA30K10.png (27.39 KiB) 2976 keer bekeken
De grote beugel (kogel 16 mm vanaf onderplaat)
BB20K08.png
BB20K08.png (16.87 KiB) 2976 keer bekeken
De kleine beugel (kogel 10 mm vanaf onderplaat)
T4 California 1997 - 2.5TDI/ACV
jurgeng74
Berichten: 14
Lid geworden op: 20 nov 2021, 14:04

Re: Miniproject - Gasveren op het keukenblok

Bericht door jurgeng74 »

Bedankt Hanz voor de uitgebreide instructie.
Ik heb 't gevolgd en bestellen van de onderdelen en plaatsen van de zuigers ging erg makkelijk. Alles is nog actueel!
Gebruikersavatar
Hanz
Berichten: 5797
Lid geworden op: 14 feb 2015, 22:59
Locatie: Zaanstreek

Re: Miniproject - Gasveren op het keukenblok

Bericht door Hanz »

Mooi dat het gelukt is. Ze zitten er bij ons nu bijna twee jaar op en het werkt nog steeds perfect. Grappige was dat we in het begin wel moesten wennen. We probeerden toen nog regelmatig om de klep met het handgreepje open te doen maar inmiddels overkomt ons dat niet meer.
Ik zit nog wel eens na te denken over een (verzonken) handgreep aan de voorkant van de kleppen. Dan gaat het openen waarschijnlijk wat makkelijker dan aan het onderrandje van de klep omhoog trekken.
Heb je voor de grote klep 200Nm gebruikt of de 180Nm?
T4 California 1997 - 2.5TDI/ACV
jurgeng74
Berichten: 14
Lid geworden op: 20 nov 2021, 14:04

Re: Miniproject - Gasveren op het keukenblok

Bericht door jurgeng74 »

Ik heb net als jij 200N gebruikt voor de grote klep, maar denk dat 180N ook kan.
Uitwijker
Berichten: 20
Lid geworden op: 11 jun 2023, 09:03

Re: Miniproject - Gasveren op het keukenblok

Bericht door Uitwijker »

Hoi,
Heb gisteren ook de gasdrukveren geplaatst. Leuk project! Heb bij de grote klep gekozen voor 180n, ook prima. Merk wel dat de kleinere, elegantere klem met kogel het moeilijk heeft met de druk, die kromt een beetje. Dat ter info. Het zit weer prima. Koos voor de bevestiging van de koelkastklep voor bevestiging met een recht blad ipv die andere met de 90 gr hoek. Die heb ik vastgezet in de strip onder de scharnieren van de kastdeur. Zit houten plank achter en zit dus heel stevig. Ik zal nog een fotootje plaatsen
Bedankt voor de uitgebreide beschrijving.

Gr, Maarten
Bijlagen
IMG_20250220_101828_254.jpg
IMG_20250220_101845_391.jpg
IMG_20250220_101825_274.jpg
Uitwijker
Berichten: 20
Lid geworden op: 11 jun 2023, 09:03

Re: Miniproject - Gasveren op het keukenblok

Bericht door Uitwijker »

Net contact gehad met gasveerwinkel.nl en voor de verbogen bevestigingspunten krijg ik gratis de zwaardere versie opgestuurd. Heel netjes en dus een prima service van deze winkel.
Gebruikersavatar
Hanz
Berichten: 5797
Lid geworden op: 14 feb 2015, 22:59
Locatie: Zaanstreek

Re: Miniproject - Gasveren op het keukenblok

Bericht door Hanz »

Mooi opgelost bij de koelkastklep. Bij mij zaten de kogel van de gasveer en het originele handgreepje elkaar in de weg. Ik moest een paar millimeter van het handgreepje afhalen. Had jij daar zo geen last van?
T4 California 1997 - 2.5TDI/ACV
Gebruikersavatar
Erdem50
Berichten: 2861
Lid geworden op: 21 sep 2014, 18:18
Locatie: Limmen

Re: Miniproject - Gasveren op het keukenblok

Bericht door Erdem50 »

Ik heb het toentertijd zo gedaan, werkte perfect
Bijlagen
IMG_0481.jpeg
IMG_0482.jpeg
T5GP Beach
Phaeton W12
Golf 3 VR6 3.0C
Golf Rallye
Golf 1
Uitwijker
Berichten: 20
Lid geworden op: 11 jun 2023, 09:03

Re: Miniproject - Gasveren op het keukenblok

Bericht door Uitwijker »

Hanz schreef: 20 feb 2025, 17:23 Mooi opgelost bij de koelkastklep. Bij mij zaten de kogel van de gasveer en het originele handgreepje elkaar in de weg. Ik moest een paar millimeter van het handgreepje afhalen. Had jij daar zo geen last van?
De klep sloot op het eerste gezicht prima, heb voor de zekerheid net als jij klein stukje kunststof weggehaald.
mdw
Berichten: 205
Lid geworden op: 10 okt 2012, 09:53
Locatie: Kempen, Belgie

Re: Miniproject - Gasveren op het keukenblok

Bericht door mdw »

Gisteren het keukenblad de upgrade met een gasveer gegeven, simpel klusje, zoiets van: waarom heb ik dit nog niet eerder gedaan... :jump
De ijskast volgt als de veer binnen is.

Bedankt voor deze tip!
Laatst gewijzigd door mdw op 26 mar 2025, 14:56, 1 keer totaal gewijzigd.
T4 2.5 tdi 102pk california 1997
Gebruikersavatar
Hanz
Berichten: 5797
Lid geworden op: 14 feb 2015, 22:59
Locatie: Zaanstreek

Re: Miniproject - Gasveren op het keukenblok

Bericht door Hanz »

Fijn dat je er iets aan hebt gehad, :toppie veel plezier van je gasveren.
T4 California 1997 - 2.5TDI/ACV
Gebruikersavatar
RichardK
Berichten: 268
Lid geworden op: 21 feb 2015, 19:00
Contacteer:

Re: Miniproject - Gasveren op het keukenblok

Bericht door RichardK »

Leuk idee ga ik wellicht ook nog eens oppakken
Life's What You Make it...
Plaats reactie